×
搜索
搜索
网站导航
首 页
集团介绍
产业集群
行业应用
联系皓宇
产品中心
发展历程
企业形象
合作客户
荣誉资质
视频中心
集团动态
网站导航
您的位置:
首页
→
产品中心
→
六钧认证产品
→
跷板开关系列
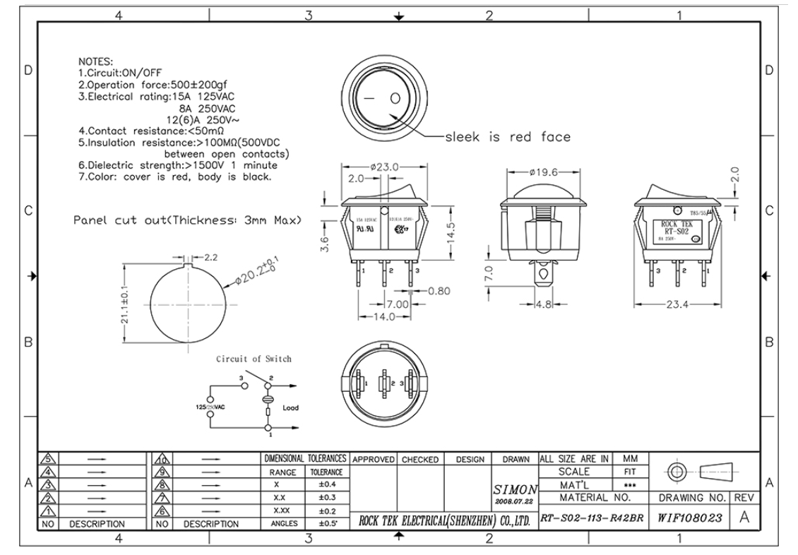
跷板开关RT-S02-113-R42BR
上一个:跷板开关SS31-BBRNQ-LS20-L02-R
下一个:跷板开关SS24-BBTWQ-R60-R
详情介绍
Copyright © 2022 东莞市皓宇电子有限公司 版权所有
主营按键开关、轻触开关、拨动开关、电源开关、耳机插座、电源插座、usb协会认证等
技术支持【
东莞网站建设
】
一键拨号
微信咨询
产品中心
网站导航